0.3PH H1.0 FPC
该系列FPC产品前掀盖系列为WF1270-YXXN-00R,前插后掀系列为WF1249-YXXN-00R,通用型FPC,占用空间小,广泛适用于屏和摄像头产品。
产品3D - 前掀WF1270
产品3D - 后掀WF1249
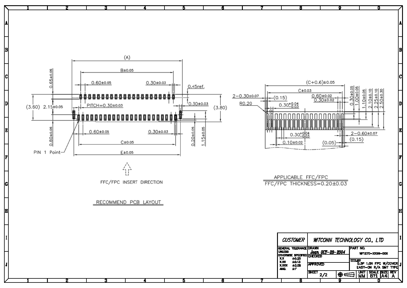
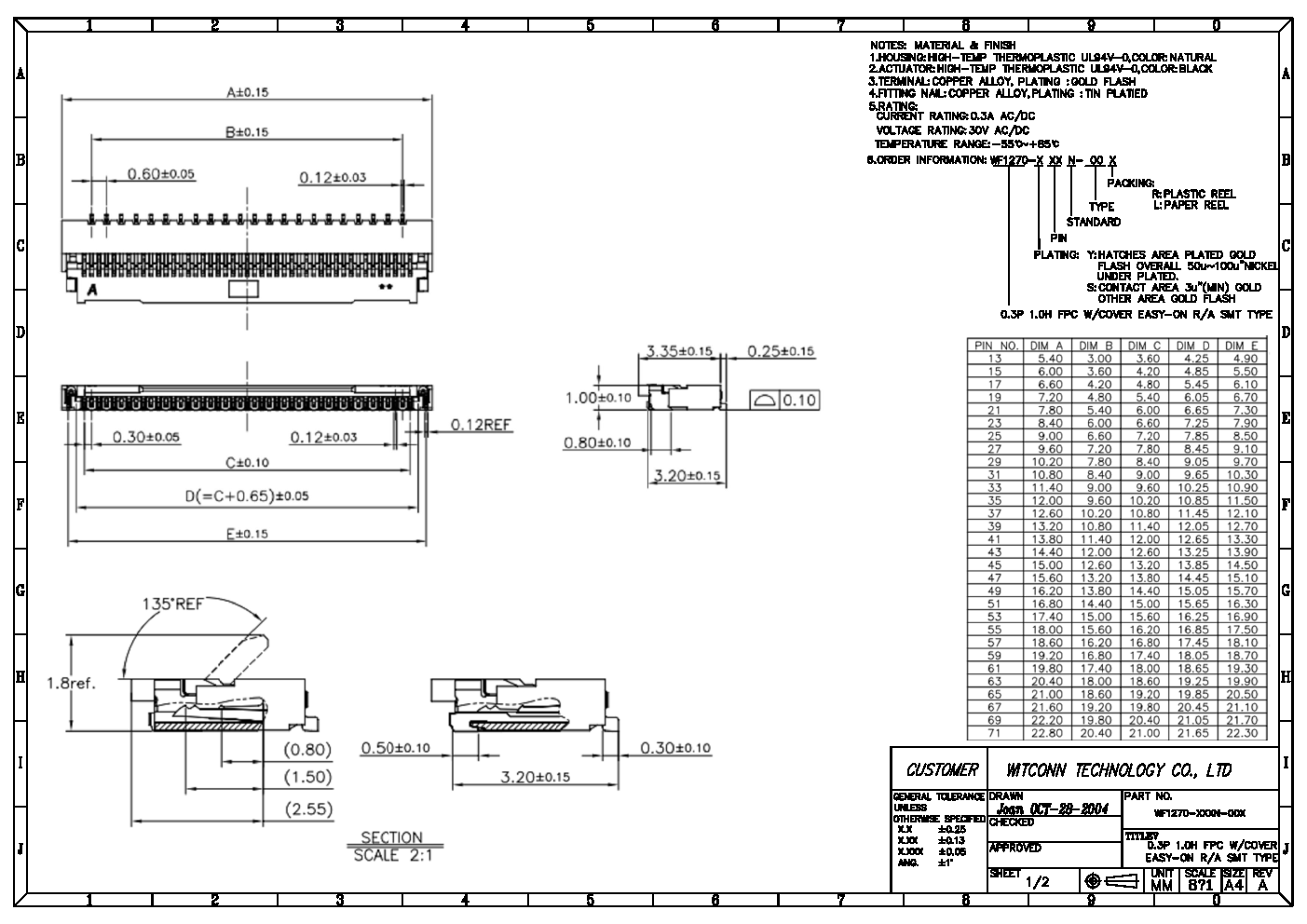
图纸 - 前掀WF1270
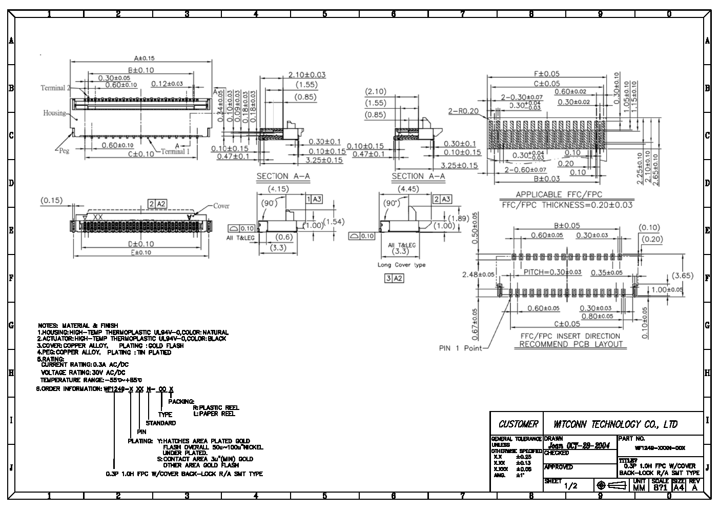
图纸 - 后掀WF1249
该系列FPC产品前掀盖系列为WF1270-YXXN-00R,前插后掀系列为WF1249-YXXN-00R,通用型FPC,占用空间小,广泛适用于屏和摄像头产品。